CAPACITY

The condition of batteries on a boat is essential for convenience, comfort and perhaps even survival. Most batteries are 12 Volt lead acetate type and are charged from the engine driven alternator or generator. Some boats have a 24 Volt system but the principles of care are the same for both.
The batteries must be sufficient in number and capacity to supply enough energy for the electrical appliances fitted to the boat. There should be reserve capacity and an electrical system capable of shedding non-essential services in the event of one or more batteries malfunctioning. There should be enough power to run essential services for 6 hours without charging.
These batteries contain a weak solution of corrosive Sulphuric Acid. With a hydrometer the state of battery charge can be found. When fully charged the Specific Gravity (SG) of the electrolyte will 1.25 and when fully discharged the SG will be around 1.15. The electrolyte level should not fall below the level of the top of the plates. If it does the cells should be topped up with distilled water (best), rain or tap water – but NEVER sea water. A fully sealed battery cannot be checked this way and a voltmeter must be used. A 12 V battery on charge or nearing full charge will measure close to 14 V across the terminals. When charging ceases the voltage will read between 12 & 12.5 V. The battery is discharged when the voltage gets to 10.5 V with a light electrical load applied. For a 24 V battery these voltage numbers are doubled.
The charging system should be able to charge a fully discharged battery within 16 hours but not at such a rate as to cause the battery to became hot or for it to give off large quantities of gas (hydrogen which is explosive). Battery tops should be kept clean and dry and the terminals kept free from corrosion. Corroded terminals and connections should be cleaned with brush or sandpaper and after reconnection they should be lightly smeared with vaseline or light grease.

To calculate the required battery capacity for a boat the average daily wattage for all electrical components needs to be determined. Assuming a 12 Volt system divide the total wattage by 12 which results in the number of Amp hours needed. Double this figure and round up to the nearest standard battery size for the required battery capacity. In the example with 1152 watts being the daily average 96 amphours (1152 / 12) are required. Therefore a 200 Amp hour battery is recommended.

ITEM
Wattage
Hours
Total
Wattage
Light 1
8
6
48
Light 2
16
6
96
Pumps
72
2
144
Refrigerator
48
18
864

Average Daily Watts  1152

Maintenance and Operations Notes

Marine batteries should be boxed, or stored in as dry and clean an area as possible.
Even if stored near the motor, battery tops should be wiped clean and dried EACH DAY after use. Moist salt conditions can lead to creation of an electrical circuit between the terminals ACROSS the top of the battery, which can send it flat overnight.
Use petroleum jelly to coat the terminal posts to provide extra security against moisture.
Ensure all exposed wires are sealed with tape to protect the circuit against corrosion.
Check the battery voltage or specific gravity weekly. If the battery is below 12.4, it requires a top up charge. If the battery is below 12.00, it is half flat, and must be charged until it starts to gas freely, and voltage-on-charge reaches 15 volts.
If marine batteries are cycled and used for bilge pumps and night lighting, with only solar marine failures are due to batteries being flattened, and being left in that condition, when hard crystals of lead sulphate form that can make recharge impossible. panels or wind generators used to maintain their charge, they should be checked for voltage at least weekly. Most
If a battery goes flat, it may take up to 3 days of slow charging to bring it back to fully charged state. It may take even several hours to even get the battery to accept charge. Don’t write the battery off if it is still flat following an overnight charge. BOOST.
Check the voltage-on-charge when the motor is idling, it should read around 14.2 volts. If it is over 15.5 volts the battery will be overcharged and killed. If under 13.5, the battery will never be fully charged.
Check electrolyte levels. If constantly falling, so that you need to add water weekly or monthly, the battery is nearing the end of its life or you are overcharging the battery, and it will have a short life. Replace the battery and/or check the regulator.
If required, only top up the marine battery with distilled water.
It is important to keep salt water out of a battery. Chlorine (from salt, which is mainly sodium chloride) gas can form, and the chlorine ions in the electrolyte will cause the battery to self discharge. The presence of chlorine gas can be seen by the bleaching of the polypropylene case and vent plugs.
If the marine batteries are over 3 years old, they may be ready for replacement. Safety in marine applications is paramount. Either keep a spare battery (MF Types are great as they have 6-8 months shelf life if stored in a dry location) or replace the battery, and use it on land for the rest of its life.
Use deep cycle batteries where batteries are cycled. For starting use heavy duty marine or Maintenance Free types where long shelf life and no cycling applications are required.
Batteries can explode. Petrol or diesel vapour can be ignited by a spark caused by poor fitting or faulty connections, as can the gases within the battery itself. Ensure battery compartments are ventilated.
TRAWLERS & CRUISE BOATS

Marine batteries in these craft are exposed to a heavy workload, to damp conditions, moist salt laden spray, bait and fish innards and high humidity, with bilge pumps or lights that may drain the battery or run it flat. Check and clean batteries weekly.

For cruisers or yacht batteries, when the boat is stored for winter, disconnect the battery, and boost charge at 2-3 amps overnight each 3 months to a 15V on-charge voltage reading as measured by a volt meter across the terminals (MF Batteries can be disconnected when fully charged, and left in the boat in a dry place, as their shelf life is 3X a normal battery).

If large leisure boats are to be moored at a marina for extended periods, with power connected to bilge and lights etc. and if the boat is not connected to mains power, and uses solar and/or wind power to charge the batteries, they MUST be checked regularly to ensure that they are not either under or over charged. Weekly, if possible. If low charge rates cause a battery to be discharged to around 11.8 volts, then cycling it at this low level will cause partial sulphation, which will reduce battery capacity and life. Dead for the next season.

For runabouts, a small marine or heavy duty car battery is OK, but ensure it is kept clean, and placed in a battery box away from salt water. At the end of the season, disconnect the battery, take it home to the garage, and charge it each 3 months overnight at 2-3 amps. That way it will be maintained ready for next year.

Starting and Deep Cycle

The battery, reports Gavin Sorrell*, is something that boatowners buy, install in the least attractive part of the vessel and then forget, until something goes wrong.
Together with loss of cooling water, the battery and its associated wiring is probably the prime culprit in disabling boats.
In a car, the battery provides a short burst of high current to start the engine. Then the alternator quickly replenishes the charge so that the battery is seldom below its full capacity. However, in a boat, the engine is run relatively infrequently, often specifically to charge the battery; and other means of charging such as solar, wind or shorepower are available intermittently.
Boat electrical systems are called upon to operate even when no charging is available, which requires a battery that can provide current at a low but steady rate for long periods between recharging. Hence the requirement for a deep cycle battery in addition to the engine cranking battery.
In a traditional battery, lead plates are suspended in an acid electrolyte. The chemical reaction between the lead and the acid creates the current flow. Lead is eroded from the plates and once it is depleted, the reaction slows and current reduces. By applying power from an external source, the chemical process is reversed, lead is deposited back on the plates and the battery is recharged.
The rate of electricity flow, in amps (A) is proportional to the area of lead exposed to the acid. A high current results from many very thin plates in a battery. Such a battery will give a short burst of energy that will rapidly diminish as the plates are eroded. This battery is ideal for starting which requires a high, brief cranking current.
The alternative is to use thicker plates, so that long term surface plate erosion is reduced. But fewer thick plates can occupy a battery case and the lead surface exposed to the electrolyte is reduced, resulting in a battery that can supply only low current for a long time. This is a deep cycle battery, able to supply relatively low current to run the electrical and electronic systems for sustained periods and also able to accept far more charge/discharge cycles than a dedicated starting battery.
Typical criteria to compare battery capabilities are: Cold Cranking Amperage or CCA: An indication of the ability of a battery to crank an engine or for powering winches or thrusters, defined as the discharge load measured in A that a battery operating at -17.8°C can deliver for 30 seconds whilst maintaining the voltage above 7.2 V.
Obviously this temperature is unlikely to be experienced in Australia, but conforms to a global standard.
The 20 hour discharge rating, measured in Amp-hours (Ah): This rating indicates the ability to deliver current over a protracted period. A 100Ah battery theoretically delivers 1A for 100 hours or 2A for 50 hours. But no deep cycle battery should be discharged below 50% of its rated capacity. Also, the capacity depends on the discharge rate due to the rate at which the chemical reaction occurs. So more Amp-hours can be drawn from a battery at a low current rate. That is why the discharge time is specified for the Ah rating, typically 20 hours.
Selecting a battery system that can perform both cranking and deep cycle functions is therefore a compromise. This is one of the main reasons that a boat is fitted with two battery banks, one with a high CCA rating to start the engine and another, often called the house battery, with good deep cycle characteristics to run the electrical systems. The other reason is of course that by having a separate starting battery, it can be isolated from the house loads, thus ensuring that sufficient cranking ability is available to start the engine even if the house battery is flat.

Marine Battery Selection

There are a number of marine battery technologies on the market, making the selection confusing to say the least. Then there is a decision to be made on the size of the battery. The best way to start the process is to focus on the equipment you propose to power and how long you intend to have it switched on. Take advice from the engine manufacturer when selecting a starting battery. Typically a 400-600 CCA (Cold Cranking Amps) battery suits most outboards. A rating of 600CCA is suitable for most smaller diesels ranging up to 1000CCA for larger engines. If you are using just one battery for starting the boat and are running accessories such as lighting fishfinders and chartplotters, oversize the battery and preferably choose an AGM which has good deep cycle characteristics. When deciding on a house battery, keep in mind that you should use only 50% of the battery’s Ah (Amphour) rating. Then a calculation must be made, totalling the daily Ah required by all the vessel’s loads. This determines the Ah rating necessary for the house battery, e.g: LED Navigation Lights draw 0.2A for 4 hours per day = 0.8Ah LED Cabin Lights draw 1.0A for 6 hours per day = 6Ah

Therefore the total Amphour requirement for these two loads = 6.8Ah per day. So if you have a 100Ah house battery, it will last for about 8 days before requiring recharging, assuming that the battery is not discharged below 50%. Incidentally, if this example applied to equivalent incandescent lights, the battery would last only one day!
The table above will assist in evaluating various types of batteries on the market, so that the most efficient and cost effective choice for your boat can be made. The cells in red indicate that the battery scores a higher result than the cells in yellow. The blank cells indicate that the battery does not match the characteristic.
This table is a very general overview and it is recognised that there will be some overlap of functions. Also, there are some exceptions and variations to the rules. For instance, if a sealed calcium battery can be sourced, then it will be leak proof, spill proof and maintenance free. The batteries with the most advantages are the AGM and the Gel. Standardising on one type of battery is a great idea, so the AGM is the perfect choice for both starting and house loads. The AGM is only surpassed in quality by the Gel battery. For serious cruising and live-aboard applications, where there is limited shore power availability, the Gel battery would be the preferred option for house loads. Both AGM and Gel are still more expensive than the traditional flooded lead acid battery with the removable tops on each cell.
However, the relative costs are becoming much closer, and considering the advantages, the AGM or Gel are now viable alternatives.

Battery Combinations

Vessels have different power requirements according to the owner’s personal choice of equipment.
There are basics such as engine starting and navigation lighting, but when you start adding refrigeration and cooking with electricity, the game is on!
The objective is to arrange battery banks so that there is no risk of a flat battery. Most requests for assistance are due to lack of fuel or inability to start the engine, usually because the battery has had too much use and too little charging. Should one have a single or dual battery system?
For most boats to about five metres, one battery will suffice. If you specialise in day trips, have LED lighting and some basic electronics. A modern dual purpose battery will be perfect.
Oversize it and ensure that the alternator supplies at least 30% of the battery capacity.
It is imperative that batteries are kept fully charged between outings. Invest in a smart AC or a solar charger permanently connected to the battery. Consider fitting a low voltage disconnect module to the house circuits so that the loads will be disconnected when a minimum a threshold is reached (e.g. 11.75V), leaving enough battery power to start the engine.
When is a multiple battery system needed?
I think that the best way to define this is to stipulate a dual battery system if you are planning to be on the water for more than one day. As discussed previously, size the batteries according to the loads, allowing at least double the capacity of your daily requirements.


How to charge both banks simultaneously?
There are various devices that achieve charging of both house and starting batteries whilst preventing the house battery from discharging the starting battery during prolonged deep cycling. Solenoid or diode isolation is the simple answer.
However, the advent of voltage sensitive relays (or VSRs) has virtually rendered these technologies obsolete. These are relays that are fitted into a connection between the two batteries.
They sense the voltage of the starting battery. When this voltage reaches 13.7V, the relay is energised, and the batteries are charged in parallel. Both batteries remain combined until charging ceases.
When the voltage in the primary battery falls below 12.8V, the relay is de-energised, isolating the batteries from each other.
This ensures that the battery banks are only paralleled once the starting battery is charged and prevents the secondary battery from draining the starting battery.
Traditionally boats have been fitted with OFF-1-BOTH-2 selector switches. The switch would be set to 1 for starting the engine. Once the voltage of the starting battery has returned to fully charged levels, the switch would be set to both for as long as the engine was running so that both batteries would be charged.
While at anchor, the switch would be changed to 2, so that the house loads would not draw power from the cranking battery.
Then the whole process would be reversed for motoring home.
All the loads were connected to one circuit, so voltage spikes during cranking would blow through to electronic equipment, often causing damage.
Above all, human error often resulted in flat batteries as one or more steps in the switching sequence had been forgotten.
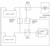
I recommend using three ON-OFF switches and a VSR as follows: One switch to connect the starting battery to the starter circuit, one to connect the house battery to the distribution panel and one to parallel the batteries in an emergency. The VSR is wired between the batteries and automatically parallels them during charging.
With this arrangement, you simply turn your engine and house switches to the ON position when boarding and OFF again when leaving the boat.
The emergency parallel switch always remains OFF unless there is a complete failure of either battery bank or the starting battery is dead.
There is much less chance of inadvertently discharging both batteries or forgetting to charge the house battery.
Problems can occur in installations where there are large battery banks or banks of greatly differing size. VSRs can be damaged by sustained high currents. Motor driven switches, Mosfet splitters and series regulators can solve these problems.

Professional advice is recommended to specify these components.

*Gavin Sorrell works in collaboration with Aquavolt Electric Boat Parts. Tel: 02 9417 8455 www.aquavolt.com.au